676962126
服务电话
021-69956275
13761395553
销售微信
欢迎光临上海思翰轴承有限公司官方网站!
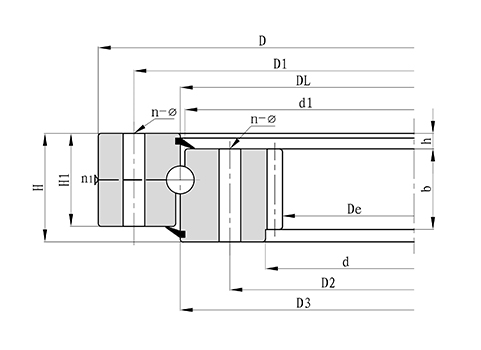
INA轴承-SX011880-转盘轴承

SX011880

新型号:SX011880

旧型号:

轴承品牌:INA轴承

轴承系列:转盘轴承

内径:400 mm

外径:500 mm

厚度:46 mm

咨询热线:13761395553 676962126 在线客服